
通過了ISO9001質量管理體系認證和CE產品安全認證,I類及II類防爆產品認證,并擁有多項科技成果
擁有高精度CNC數控機群、全自動繞線機、機器人銅焊機、PLC控制的自動BMC塑料封裝機、電磁鐵靜動態特性智能測試系統、磁芯管耐油壓試驗臺、磁芯管脈沖疲勞試驗臺等各種現代化的加工制造設備和檢測儀器
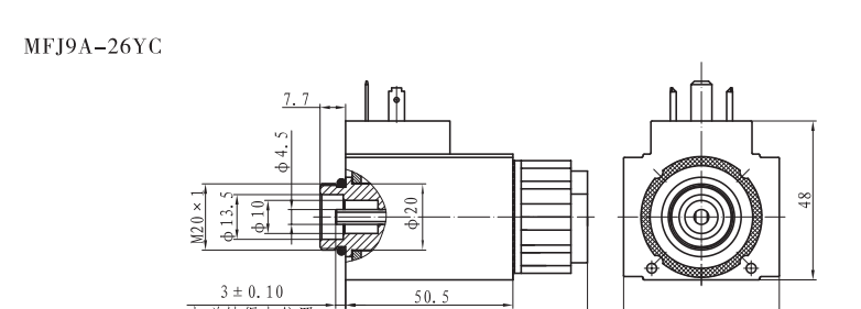
本系列電磁鐵適用于單相橋式全波整流的直流電源,電壓至220V的控制電路中,作為液壓電磁換向閥的動力元件。可配套于日本油研型(YUKEN)六、十通徑接線盒式螺紋連接的電磁換向閥。
型號 | 額定電壓(V) | 額定吸力(N) | 額定行程(mm) | 全行程(mm) | 消耗功率(W) | 承受靜態油壓(MPa) | 操作頻率(T/h) | 線圈內孔直徑(mm) |
---|---|---|---|---|---|---|---|---|
MFJ9A-26YC |
100/110/120/200/220/240 |
≥26 |
3 |
≥6 |
≤26 |
19 |
≤12000 |
φ20 |
MFZ9A-20YC |
12/24 100/220 |
≥20 |
3 |
≥6 |
≤28 |
19 |
≤12000 |
φ19 |
MFZ9A-20YC(SG) |
12/24 |
≥20 |
3 |
≥6 |
≤30 |
19 |
≤12000 |
φ19 |
MFJ9-26YC(HP) |
110/220 |
≥26 |
3 |
≥6 |
≤26 |
19 |
≤12000 |
φ20 |
MFZ9A-42YC |
12/24 |
≥25 |
3 |
≥6 |
≤38 |
21 |
≤12000 |
φ23 |
MFZ9A-37YC |
12/24 |
≥37 |
3 |
≥6.1 |
≤30 |
21 |
≤12000 |
φ23 |
MFZ9A-90YC |
12/24 |
≥90 |
4 |
≥8.5 |
≤36 |
21 |
≤12000 |
φ26 |
MFJ9A-50YC |
100/110/120/200/220/240 |
≥50 |
4 |
≥8.5 |
≤55 |
21 |
≤12000 |
φ26 |
MFZ9A-55YC |
12/24 100/220 |
≥55 |
4 |
≥8.5 |
≤42 |
21 |
≤12000 |
φ26 |