
通過了ISO9001質量管理體系認證和CE產品安全認證,I類及II類防爆產品認證,并擁有多項科技成果
擁有高精度CNC數控機群、全自動繞線機、機器人銅焊機、PLC控制的自動BMC塑料封裝機、電磁鐵靜動態特性智能測試系統、磁芯管耐油壓試驗臺、磁芯管脈沖疲勞試驗臺等各種現代化的加工制造設備和檢測儀器
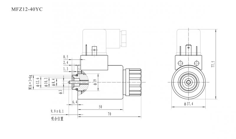
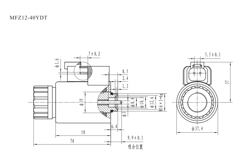
本電磁鐵作為液壓電磁換向閥的動力元件,主要應用于緊湊型多路閥上,可配套使用于工程機械車輛上。
型號 | 額定電壓(V) | 額定吸力(N) | 額定行程(mm) | 全行程(mm) | 消耗功率(W) | 承受靜態油壓(MPa) | 操作頻率(T/h) | 線圈內孔直徑(mm) |
---|---|---|---|---|---|---|---|---|
MFZ12-40YC |
12/24 |
≥40 |
2 |
≥6 |
≤24 |
19 |
12000 |
φ19 |
MFZ12-40YDT |
12/24 |
≥40 |
2 |
≥6 |
≤24 |
19 |
12000 |
φ19 |