
通過了ISO9001質量管理體系認證和CE產品安全認證,I類及II類防爆產品認證,并擁有多項科技成果
擁有高精度CNC數控機群、全自動繞線機、機器人銅焊機、PLC控制的自動BMC塑料封裝機、電磁鐵靜動態特性智能測試系統、磁芯管耐油壓試驗臺、磁芯管脈沖疲勞試驗臺等各種現代化的加工制造設備和檢測儀器
本產品為氣動電磁鐵,通過電磁輸入電流的大小控制系統的流量或壓力,從而實現系統執行機構在額定工作范圍內的遠距離調控。
型號 | 額定電流(A) | 常態電阻(Ω) | 消耗功率(W) | 額定吸力(N) | 額定行程(mm) | 力滯環(%) | 電流滯環(%) | 重復精度(%) | 外殼防護等級 |
---|---|---|---|---|---|---|---|---|---|
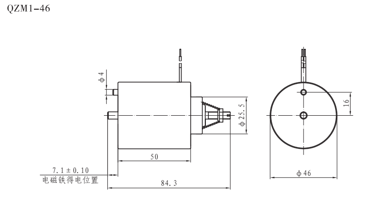
QZM1-46 |
0.52 |
20.8 |
≤9 |
56 |
1.5 |
≤3 |
≤3 |
≤1 |
IP65 |