
通過了ISO9001質量管理體系認證和CE產品安全認證,I類及II類防爆產品認證,并擁有多項科技成果
擁有高精度CNC數控機群、全自動繞線機、機器人銅焊機、PLC控制的自動BMC塑料封裝機、電磁鐵靜動態特性智能測試系統、磁芯管耐油壓試驗臺、磁芯管脈沖疲勞試驗臺等各種現代化的加工制造設備和檢測儀器
插裝電磁鐵作為插裝閥的動力元件,通常設計為插入式結構,安裝簡便,可快速替換和調整,這使得其在工業自動化領域的應用變得尤為便捷。插裝電磁鐵有較高的工作穩定性和可靠性,能夠長時間保持穩定的工作狀態,適用于工業生產中的連續運行。可根據需要設計成不同形狀和規格,滿足不同工作場景的需求,具有較強的實用性。在工業自動化、水處理、冶金、化工、醫藥等領域得到了廣泛的應用。
型號 | 工作電壓(V) | 常態電阻(Ω) | 防護等級 | 耐溫等級 |
---|---|---|---|---|
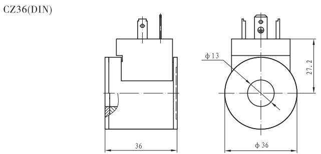
CZ36(DIN) |
12/14/24/28 (其他電壓可定制) |
8.7/11.4/34/41.5 |
IP67 |
H |
CZ27 |
24 (其他電壓可定制) |
34.5 |
IP67 |
H |
CZ33 |
12/24 (其他電壓可定制) |
9.6/39.5 |
IP67 |
H |
CZ36 |
12/20/24/28 (其他電壓可定制) |
8.7/23.5/34/41.5 |
IP67 |
H |
CZ36(YX) |
12/24/48 (其他電壓可定制) |
9.5/38.8/155 |
IP67 |
H |
CZ42 |
12/24 (其他電壓可定制) |
7.2/28.8 |
IP67 |
H |
ECO4W |
24/36 (其他電壓可定制) |
27.5/60.5 |
IP65 |
H |
HZ30001 |
24 (其他電壓可定制) |
51 |
IP67 |
H |